• 服務熱線:021-80370923

    氣動法蘭球閥

    氣動法蘭球閥圖片

    氣動法蘭球閥

    • 閥門型號:Q641F,Q641H
    • 通徑規格:DN15-DN300
    • 結構形式:浮動直通式
    • 閥體材質:鑄鋼(WCB)、不銹鋼(304、316、316L)
    • 公稱壓力:PN16、PN25、PN40、PN64
    • 適用溫度:-40~450℃
    • 應用范圍:氣體、蒸汽、液體、油品、腐蝕性介質等
    • 產品特點:結構緊湊,開關速度快,流通能力大,密封性能好

    氣動法蘭球閥概述:

    氣動法蘭球閥具有開關速度快,流通能力大,密封性能好等特點,
    是由法蘭式球閥與氣動執行器連接組成,根據作用形式不同可分為開關型和調節型兩種。
    氣動法蘭球閥打開時,閥體通道和連接管徑形成一個通口,
    介質可毫無阻力的流過,除了用于油品、氣體、液體等介質外,
    還適宜控*污水和含有纖維性雜質的介質。
    氣動法蘭式球閥裝配上閥門定位器輸入4-20mA的模擬量信號,
    可對球閥的閥芯開度進行0-90度的任意控*,
    從而達到介質流量、溫度、壓力等參數的比例式調節。
     
    氣動法蘭球閥優點:
     1,根據工況需要氣動法蘭式球閥可分為軟密封(-30~180℃)和
    硬密封(-40~450℃)兩種密封結構,以便在不同介質、不同溫度及不同壓力的場所中合理使用。
    2,氣動法蘭球閥動力源采用的是氣體,不會存在與火花接觸,理論上有防爆功能,相對來說比較安全。
    并且如果漏氣的話,氣體可以直接排出,對環境沒有污染,同時具有較高的安全性。
    3,從閥門口徑角度來說,由于扭矩力的原因,手動球閥一般只能配置口徑在DN300以下的球閥,
    而氣動法蘭球閥可配置的口徑較廣,不僅可配置小口徑球閥,
    也可配置口徑大的球閥,氣動球閥目前**可達到DN1200口徑。
    氣動法蘭球閥可選配件:
    三聯件:可對氣源穩壓、過濾、氣缸加潤滑油
    回訊器:也叫限位開關,遠程反饋開關信號(可選防爆)
    電磁閥:雙作用選二位五通、單作用選二位三通(可選防爆)
    定位器:輸入4~20mA信號,實現閥門調節功能
    手動機構:手操機構,可實現手動開或關閥
    調節型附件:電氣定位器、氣動定位器、電氣轉換器。
    切斷型附件:單電控電磁閥、雙電控電磁閥、限位開關回訊器。
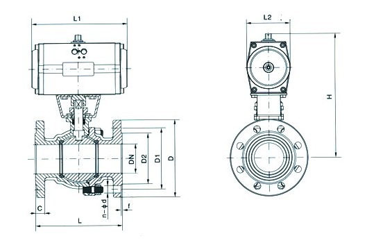
    氣動法蘭球閥結構圖
    氣動法蘭球閥結構圖
    氣動法蘭球閥參數說明:

    公稱通徑 DN15~DN300(mm) 
    公稱壓力 PN1.62.54.06.410.0 MPa
    連接方式 法蘭式連接
    驅動形式 壓縮空氣4-7bar(可帶手動裝置)
    溫度范圍
    軟密封:-30~180℃;硬密封:-40~450℃
    動作范圍 0~90°
    閥體材料 碳鋼、不銹鋼304、316、316L
    適用介質 水、蒸汽、液體、油品、腐蝕性介質等
    控*方式 開關切斷式,調節型(定位器4-20mA模擬信號)
    作用形式 單作用彈簧復位(常開型,常閉型),雙作用(氣開氣關)