• 服務熱線:021-80370923

    電動開關蝶閥

    電動開關蝶閥圖片

    電動開關蝶閥

    • 閥門型號:D971X,D941X,D973H,D943H
    • 通徑規格:DN50~DN1200mm
    • 結構形式:中線式,三偏心
    • 閥體材質:鑄鋼WCB、不銹鋼304、316
    • 公稱壓力:PN6、PN10、PN16、PN25、PN40
    • 適用溫度:-40℃~450℃
    • 應用范圍:氣體、水、油品、蒸汽、腐蝕性流體
    • 產品特點:開關及時到位,開關完成程度好,基本無誤差
    電動開關蝶閥簡介:
     
    電動開關蝶閥就是通常所說的電動雙位切斷蝶閥,一般分為全開和全關兩種狀態。即該電動蝶閥在電控的情況下能達到全開或全關*確到位后自行停止,不能直接與管路系統的流量反饋裝置進行*準互動調節流量。根據連接方式的不同,主要有法蘭式電動開關型蝶閥和對夾式電動開關型蝶閥,選用不同的密封結構(軟密封結構和金屬硬密封結構)可對應使用在不同的介質,一般適用于兩位開關(快速切斷)控*的場合當中。
    電動開關蝶閥圖片
    電動
    對夾式開關蝶閥                            電動法蘭開關蝶閥    
    電動開關蝶閥特點:
     
    1.電動開關蝶閥是依靠電動執行裝置來控*蝶閥的開或關,電壓AC220V(可選)。
    2.依靠電力來帶動閥門,減少人力手工操作,省時省力。
    3.開關及時到位,開關完成程度好,基本無誤差。
    4.電動執行器帶有手動裝置,在停電或執行機構故障時可以進行手動操作,確保工況正常進行。
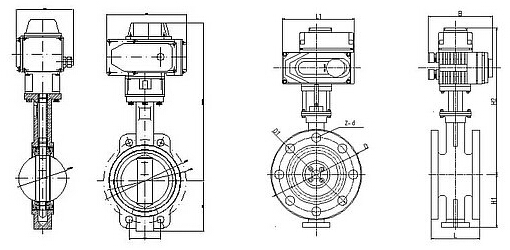
    電動開關蝶閥對夾式結構
    電動開關蝶閥結構圖(對夾式)                  電動開關蝶閥結構圖(法蘭式)
    電動開關蝶閥技術參數:

    公稱通徑 DN50~DN1200mm
    公稱壓力 PN0.6、1.0、1.6、2.5MPa
    連接方式 對夾式、法蘭式
    密封形式 軟密封,金屬密封
    介質溫度 -20℃-450℃
    動作方式 開關兩位(快速切斷)
    操作范圍 0~90°
    適用介質 水、油品、氣體、蒸汽、腐蝕性流體
     
    電動開關蝶閥和電動調節蝶閥的區別:
     
    一,開關型電動蝶閥的開啟和關閉只有兩個位置,要么閥門全開,要么閥門全關,不能用來做介質流量的調節控*。
     
    二,調節型電動蝶閥可對管道中的介質流量、壓力、溫度等進行控*,且其三偏心密封閥芯設計能保證在半開狀態下耐沖刷、耐氣蝕。

    電動開關蝶閥零件材料:


    閥體 球墨鑄鋼、鑄鋼、合金鋼、不銹鋼
    碟板 灰鑄鐵、球墨鑄鋼、鑄鋼、不銹鋼
    密封圈 各種橡膠、聚四氟、不銹鋼
    閥桿 2Cr13、不銹鋼
    填料 O型圈、柔性石墨

    相關產品:  氣動開關蝶閥 
    上一篇:電動襯膠蝶閥 下一篇:電動中線蝶閥